Kirjeldus:
Ūdens motociklu piekabe ar īpaši robustu un izturīgu metināta tērauda rāmi ar HDG pārklājumu. Dubļusargi un citi komponenti ir izgatavoti no augstas kvalitātes lokšņu metāla, kas pārklāts ar Magnelis® pārklājumu. Īpaši izstrādāti ar pakāpienu dubļusausargi nodrošina lielāku funkcionalitāti un ērtības. Ūdens motociklu turētāju sliedes var viegli pielāgot atbilstoši jūsu vajadzībām. Ar vinčas palīdzību jūs varat viegli iekraut un izkraut savu ūdens motociklu.
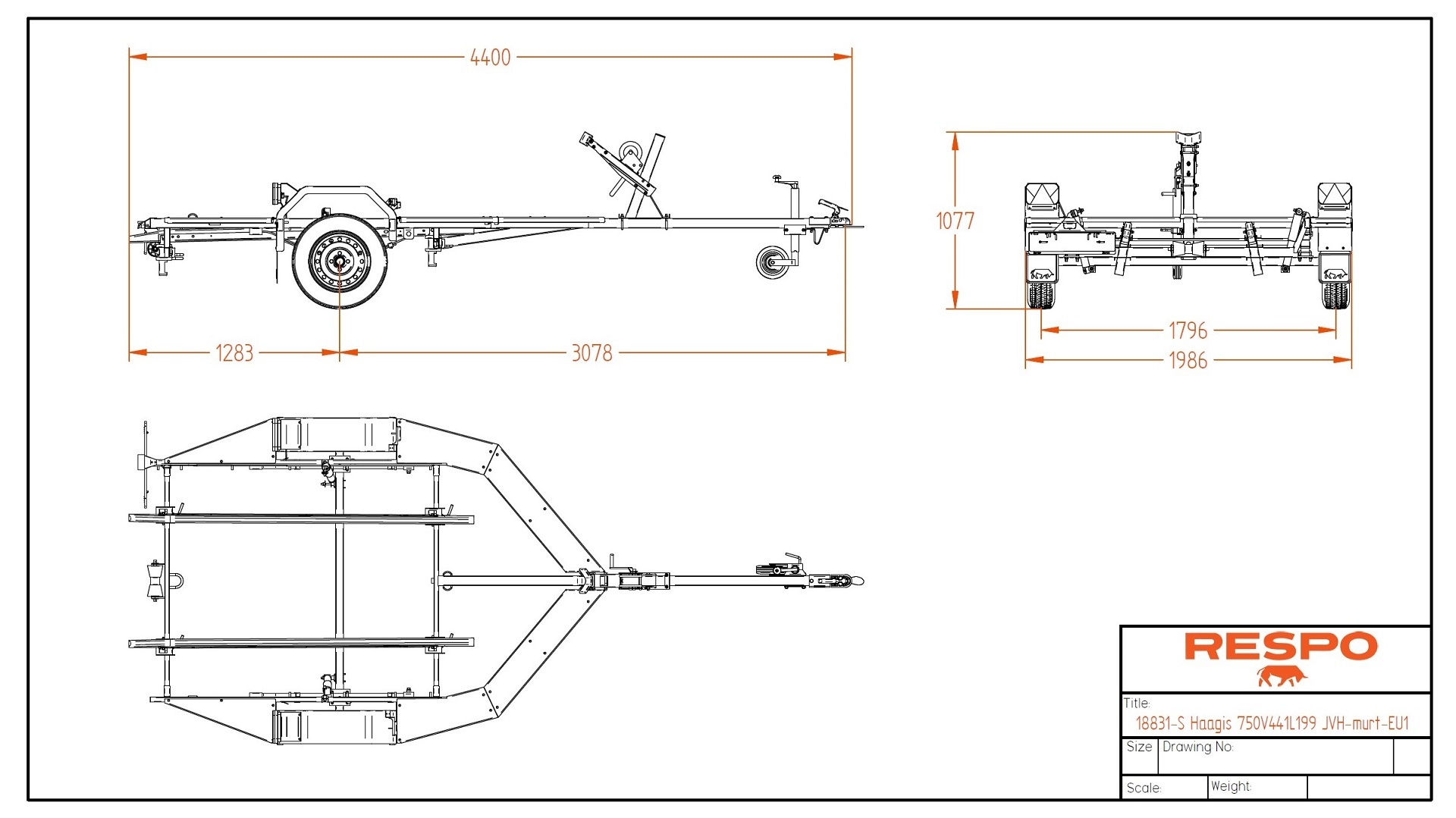
Detailid:
  • Maksimālais laivas garums: 4 m
  • Piekabes izmēri: 4.38x1.99 m
  • Kopējais augstums: 1.05 m
  • Ass tips: Lokšņu atsperlāgu
  • Rāmis: Karsti cinkots
  • Bruto svars: 750 kg
  • Svars bez kravas: 175 kg
  • Celtspēja: 575 kg
  • Kontaktdakšas tips: 13 tapa
  • Riepas: 155R13
Standardvarustus:
  • Atbalsta ritenis + skava, cietais ritenis
  • Stiprinājuma sakabe
  • Regulējams vinčas statīvs (vertikāli un horizontāli)
  • Vinča ar siksnu 800kg
  • Viegli regulējami ūdens motociklu turētāji
  • Aizmugurējais ķīļa rullītis
  • Pilns metāla pakāpiens uz dubļusargiem
  • Sānu pakāpieni
  • Riteņi ar M+S riepām