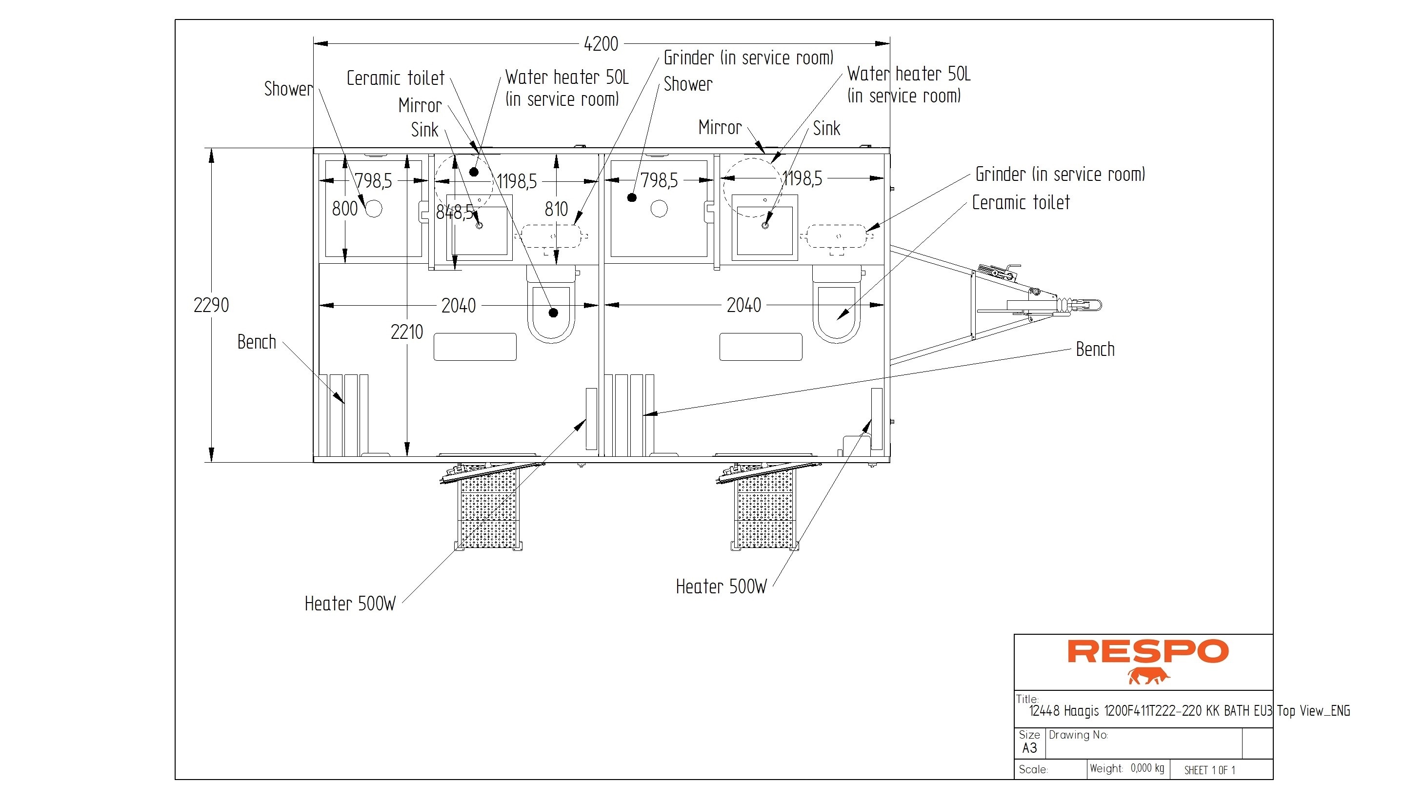
Kirjeldus:
Ļoti daudzpusīgi un daudzfunkcionāli mobilie biroji, kas izturīgi pret laikapstākļiem. Pateicoties inovatīviem uzlabojumiem modelēšanā un ražošanā, mēs esam ievērojami uzlabojuši izturību pret ekspluatācijas izraisītiem bojājumiem. Augstas kvalitātes un īpaši izturīgi HuckLok® skrūvju savienojumi, kas izgatavoti no Magnelis® pārklāta lokšņu metāla. Uzticamā vērpes ass kopā ar ūdensnecaurlaidīgām riteņu rumbām un riteņiem nodrošina lielāku piekabes ekspluatācijas laiku.
Detailid:
  • Kopējais augstums: 3 m
  • Ass tips: Torsiona vērpes ass
  • Rāmis: Karsti cinkots
  • Bruto svars: 1200 kg
  • Svars bez kravas: 1004 kg
  • Celtspēja: 196 kg
  • Bremzes: Yes
  • Riepas: 155R13C
Standardvarustus:
  • Atbalsta ritenis + skava, cietais ritenis
  • Grīda pārklāta ar pret skrāpējumiem izturīgu un pretslīdes PVC
  • Grīda pārklāta ar pret skrāpējumiem izturīgu un pretslīdes PVC
  • Ūdensizturīgi priekšējie LED lukturi
  • 25 m Ūdens šļūtene
  • Stūra balstkājas 4 gab.
  • Plastmasas dubļusargi
  • LED ārējais apgaismojums ar kustības sensoru
  • Elektriskās rozetes 230V
  • 25 m strāvas kabelis
  • Tīra ūdens un notekūdeņu pieslēgumi
  • Riteņi ar M+S riepām